
常州北奇機械科技有限公司
金牌會員
已認證

常州北奇機械科技有限公司
金牌會員
已認證
雙斗連續式真空上料機( BQ系列)
使用說明書

一、工作原理
雙斗連續式真空加料機是為了適應較長距離的粉料、顆粒料的真空輸送開發的一款連續式負壓輸送的機型。
雙斗連續式真空加料機由漩渦真空泵帶兩個真空料斗,進料三通等組成(見圖例)。工作時漩渦真空泵抽氣,真空料斗1上換向閥1開啟,放料門1關閉產生真空,使吸料嘴進口處及真空料斗1處于一定的真空狀態,粉粒料隨同外界空氣被吸入料嘴,形成料氣流,經過吸料管、進料三通到達真空料斗1,在料斗中進行氣、料分離。設定時間到換向閥1關閉,切斷真空料斗1真空,放料門1打開,真空料斗1中物料放出;同時真空料斗2上換向閥2打開,放料門2關閉產生真空,使吸料嘴進口處及真空料斗2處于一定的真空狀態,粉粒料隨同外界空氣被吸入料嘴,形成料氣流,經過吸料管、進料三通到達真空料斗2,在料斗中進行氣、料分離。設定時間到換向閥2關閉, 切斷真空料斗2真空,放料門2打開,真空料斗2中物料放出。真空料斗1、2的物料分別進入受料設備。兩個真空料斗不斷循環上料、放料,吸料嘴及物料管道始終保持一定的真空狀態,達到連續輸送物料的目的。
兩個真空料斗分別裝有壓縮空氣反吹裝置,每次放料時,壓縮空氣脈沖反吹過濾器,把吸附于過濾器表面的粉末打落下來,以保證吸料能正常運行。
對于受料設備只有一個加料口時,兩個真空料斗通過一個分叉三通匯總為一個加料口與受料設備對接。
二、技術參數

說明:以上產量為極限產量,輸送物料為40-100目細粉時測定的。輸送距離越長,輸送能力將下降。另外輸送產量與物料特性也有很大的關系。

三、調試安裝
使用本設備前,請確認壓縮空氣氣源為潔凈干燥的,工作壓力為0.4-0.6mpa
1、上料機的真空料斗一般固定受料設備上,可以兩個真空料斗用一個入料口或者兩個口分別給受料設備加料。對于采用受料設備一個入料口時,建議另做支架固定真空上料機的料斗。
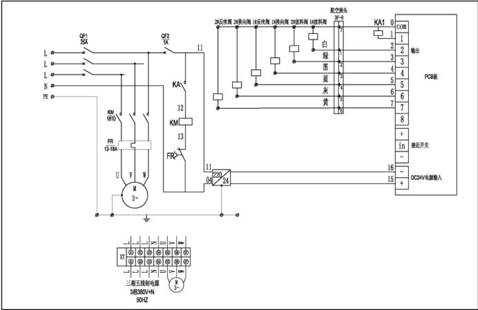
2、按設備圖紙(第3.1項)用吸料軟管或不銹鋼硬管把吸料嘴與入料三通、入料三通與真空料斗、真空料斗與真空泵連結好,并用喉箍卡緊。
3、接好電源。電源應采用三相五線制的電纜線,因為控制電路需要“工作0”,為了安全仍需要“保護0”,”保護0“的另一個作用是消除物料輸送時產生的靜電對控制芯片的干擾,造成控制系統死機。因此‘保護0”必須接上。
4、用 Φ12壓縮空氣管插入系統進氣口(過濾減壓上),調整減壓閥,保證系統的壓力維持在0.6M pa,并按接管圖將外接壓縮空氣氣管接頭與真空料斗上外接壓縮空氣接頭連接上。
5、接通電源,打開箱門,合上三相空氣開關,此時控制盒上上料時間、放料時間顯示器亮。
6、調整上料時間、放料時間,數據一致即可,12秒左右。
7、按下開/關按鈕,接通旋渦氣泵。檢查真空泵的轉向,若排風口無風排出,則電動機為反轉,關掉開/關按鈕,調換電源的接線相序,直至氣泵轉向正確為止。
8、按下開/關按鈕,啟動旋渦氣泵,將吸料嘴插入料箱中,隨即開始送料。吸料——放料(同時壓縮空氣反吹過濾器)為一個工作循環。真空加料機將自動循環下去,直至受料設備(如包裝機)料斗中的料加滿(此時料位開關亮)為止。
9、受料設備料斗中料位低于料位開關時,氣動三通閥自動換向,系統重新進入吸料-放料循環,直至料斗中的料加滿。
10、物料輸送過程,由于摩擦原因會產生較大的靜電,為了消除靜電,應考慮對設備外殼可靠接地。

四、清洗
1.打開卡箍,將真空料斗拆開取下,逐層清洗。
2.打開蓋組取下過濾器組件清洗。
3.1、聚酯覆膜過濾器或者PE過濾器:取下過濾器組件,用軟毛刷刷去表面附著物后,用壓縮空氣進行內外多次吹掃,吹掃干凈后重新組裝使用。經常進行吹掃維護可以延長過濾器的使用壽命,當上料機上料量明顯下降時需對過濾器進行更換。
3.2、316L不銹鋼過濾器或者鈦金屬過濾器:取下過濾器組件,將過濾器和過濾盤整體放入清洗水池,溫水浸泡五分鐘,用軟毛刷清洗過濾器表面,清洗后用壓縮空氣吹掃,除去過濾器內部的水分,或者將過濾器放入超聲波清洗儀中進行清洗,可反復進行2-3次,直至徹底清洗干凈。之后放在通風處自然晾干,或者放入烘干箱內設置到50℃進行干燥處理。直至完全干燥后方可進行再次使用。
3. 取下翻板門密封圈和桶體的密封圈進行清洗。
4. 真空料斗各部件用清水沖洗干凈。
5. 打開真空泵/羅茨風機上的二次過濾桶,將二次濾芯取出,用壓縮空氣將濾芯褶皺中的物料吹凈。
故障 | 故障原因 | 處理辦法 |
操作面板沒有顯示 | 1.開關電源輸入端沒有電壓 (交流220V) | 檢查電源接通,接通電源線是否有斷路(交流220V) |
2.開關電源輸出端沒有電壓 (直流24V) | 檢查輸出端,無輸出或輸出超出(直流24V)正負5% | |
3.電源板正負極插反(直流24V) | 檢查直流電源正負極,按照電源板標注連接 | |
吸料管沒有吸力 | 4.真空泵電機反轉 | 倒相改變電機的運轉方向 |
5壓縮空氣不正常 | 要求壓縮空氣工作壓力0.4-0.6Kpa | |
6管道連接不牢固 | 檢查管道連接處要用喉箍緊固,防止漏氣影響真空度 | |
7桶圈安裝不到位 | 檢查各節桶連接處桶圈是否安裝到位(如有破損需要更換) | |
8門節處門板關閉時不密封,有縫隙 | 檢查密封圈安裝到位,檢查門板,門斗是否有變形 | |
9過濾器需要清洗 | 檢查過濾器需要定期清洗(如有破損需要更換) | |
物料堵在吸料管道里 | 10.補氣孔補氣不夠 | 調節吸料槍補氣旋鈕,根據實際情況確定補氣量 |
11.上料時間過長 | 下調上料時間,根據現場情況合理調節上料時間 | |
物料儲存料斗不放料 | 12.放料階段門板不開門 | 1.檢查壓縮空氣是否正常 2.檢查電磁閥是否工作 |
13.壓縮空氣正常,旋轉氣缸無動作 | 1.檢查放料時間是否過短(不能低于4秒) 2.檢查電磁閥是否正常工作 |
五、故障診斷及排除方法
產品保修說明
歡迎您使用常州北奇機械科技有限公司生產的產品。為了維護您的利益,請仔細閱讀產品保修說明:
1. 本設備自購買之日起,整機(易損件除外)享有質保壹年的服務。下列情況除外:
(1) 在未經本公司允許的情況下,對本公司產品擅自自行拆機
(2) 非正常使用條件下所產生的故障,如人為操作不當
(3) 不可抗拒災害造成的設備損壞
2. 凡是返修的本公司產品,郵寄至本公司的費用由客戶承擔,維修好后的回寄費用由本公司承擔
3. 對于維修產品的運輸費用,我公司不接受“到付款”特殊情況下,請客戶與我司銷售經理聯系,協商解決。
相關文章
更多
技術文章
2025-04-11技術文章
2025-02-26技術文章
2025-01-06技術文章
2025-01-06
虛擬號將在 秒后失效
使用微信掃碼撥號