
國儀量子技術(合肥)股份有限公司
白金會員
已認證

國儀量子技術(合肥)股份有限公司
白金會員
已認證
經過兩個多月的
征稿、評比
國儀量子首期電鏡圖片大賽成果
正式揭曉
恭喜以下七位用戶獲得200元京東卡獎勵!
#1
獲獎名單
林中清 安徽大學現代實驗技術中心
陳浩 燕山大學
王曉濤 北京航空航天大學
牛浩然 電子科技大學(深圳)高等研究院
沈慧鑫 沈陽航空航天大學
董亮 沈陽航空航天大學
陸珊珊 廣西壯族自治區醫療器械檢測中心
*以投稿時間順序排序
部分作品展示
#2
曲奇餅干
陳浩 燕山大學

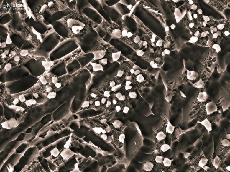
所用儀器:國儀量子鎢燈絲掃描電鏡SEM3200
說明:等離子弧增材構筑鎳/鈦異質金屬界面形貌之美。凹凸不平的TC4基體像一塊美味的曲奇餅干,而基體上的NiTi2析出相恰恰是餅干上的巧克力碎屑。
竹之魂
王曉濤 北京航空航天大學

所用儀器:國儀量子場發射掃描電鏡SEM5000
說明:通過北航分測中心的國儀量子SEM5000對竹材的截面進行掃描,該SEM圖像清晰地展示了竹子的維管束結構。兩側纖維鞘逐漸增大開展,越過中部維管束又趨簡化,內方和外方纖維鞘逐漸由大變小,內、外纖維股逐漸消失,維管束的輪廓扁而寬,成半圓形或紡錘形,除多級孔復合維管束外,其余部分分布為尺寸較為均勻的纖維束結構。
融合的寶石
沈慧鑫 沈陽航空航天大學

所用儀器:國儀量子鎢燈絲掃描電鏡SEM2000
說明:Zn-Mg合金經過攪拌摩擦加工后解理單元細化達到微米級,使其力學性能有了大幅提升。斷裂界面的形狀就像是未開采的寶石一般,三原色的寶石融合變成了更多的色彩。
“鋅”花怒放
董亮 沈陽航空航天大學

所用儀器:國儀量子鎢燈絲掃描電鏡SEM3100
說明:Zn-Mg生物合金攪拌摩擦改性后的降解表面。該合金在臨床醫療器械領域存在重大意義。圖片中的紅心代表著鋅元素,在“鎂”麗的花朵的襯托下有蝴蝶飛舞。
注:
1. 以投稿時間順序排序展示;
2. 為展現藝術效果,圖中作品經過偽彩上色處理,并非SEM原圖。
最新動態
更多
虛擬號將在 秒后失效
使用微信掃碼撥號