氮化硅晶體有三種晶型,分別是α-Si3N4、β-Si3N4和γ-Si3N4。三種晶型都是以[SiN4]4-四面體為基本結構單元,每個四面體中心是Si原子連接著4個N原子,而4個N原子以共頂點的方式與其他的Si原子連接組成了三維宏觀上的氮化硅晶體。

Si3N4兩種晶型結構圖
(a)α-Si3N4;(b)β-Si3N4
氮化硅陶瓷材料相較于金屬材料與高分子材料有很多自己獨有的特點,比如,氮化硅陶瓷有很好的耐高溫性(高溫條件下可以有很高的抗彎強度),還有很高的硬度,熱膨脹系數與硅接近以及很好的耐酸堿腐蝕性等優點,這些特點使氮化硅陶瓷在半導體領域以及其他領域都可以有很廣泛的應用。
氮化硅陶瓷性能參數

粉體制備
高質量粉體是制備高性能氮化硅陶瓷的基礎,低成本的粉體制備技術是氮化硅陶瓷廣泛應用的關鍵。自20世紀30年代起,通過設計反應體系和采用強化傳熱或傳質等手段,氮化硅粉體質量得到了顯著的改善。主要的制備方法有硅粉直接氮化法、自蔓延法、碳熱還原法、熱分解法、溶膠-凝膠法、化學氣相沉積法等。目前市場上常見的商業氮化硅粉體的制備方法主要有:
硅粉直接氮化法
硅粉直接氮化法是最早的制備氮化硅粉體所用的方法。目前,工業生產中工藝較為成熟,能夠規模化生產,并且生產成本相對較低,被國內外大多數企業采用,德國的ALZ、H.C.Starck、瑞典的VESTA、日本的Denka等國際著名粉體廠商均采用該方法批量化生產氮化硅粉。但該方法生產所得的氮化硅粉容易含有Fe、Ca、Al等雜質元素,粉體中β相含量以及氧含量較高,不利于高性能氮化硅陶瓷的制備。
自蔓延法
自蔓延法又稱自蔓延高溫合成法(SHS),是近年來新興的一種制備方法。自蔓延法制備粉體具有高效、節能、環保等優點。但是在制備粉體時,由于反應速度過快,反應過程難以控制。
碳熱還原法
碳熱還原法所用的原料成本較低,制備的粉體產品粒度小,反應速度快,α-Si3N4含量高,適合大規模生產。然而,這種方法制備的氮化硅粉體中經常含有殘余的碳或者碳化硅,所以制備的粉體純度不高,影響了產品的質量和應用。
硅亞胺熱解法
液相反應法(又稱硅亞胺化學分解法)制備的氮化硅粉具有極高的α相含量,并且燒結活性優異。但該方法制備難度大,技術門檻高,對原料的純度要求高,其難點在于不易獲得穩定的固態亞氨基硅(Si(NH)2)。目前,這種方法已經成為商業化高純高質量氮化硅粉體生產所使用的最主要的方法。日本UBE公司是最早使用該方法規模化生產出性能優異、質量穩定的氮化硅粉體產品的廠商。

硅亞胺熱解法的生產工藝流程圖
氮化硅陶瓷燒結方法
反應燒結(RBS)是最早實現氮化硅陶瓷產業化應用的一種燒結工藝。反應燒結成的氮化硅陶瓷產品不僅具有較好的抗熱震性、抗腐蝕性及優良的電阻性能,而且在1400℃高溫下仍具有較高的強度值(200MPa~350MPa)。此外,反應燒結氮化硅還具有燒結收縮小(≈0.1%)的獨特優勢,可極大減少甚至可省略燒成后的機械加工,降低了其生產成本,而且可制備形狀復雜的產品,適合工業化規模生產。

硅粉氮化反應生成氮化硅的過程
反應重燒結工藝(SRBS)最早由Popper等提出,該工藝先進行反應燒結,隨后對反應燒結所得到的坯體進行常壓燒結。因為反應重燒結中的常壓燒結階段致密化過程與液相燒結機制息息相關,所以燒結助劑的影響至關重要。燒結助劑除可在常壓燒結時產生液相外,還可在反應燒結階段促進硅粉氮化反應。反應重燒結的重燒結溫度一般為1700℃~1950℃,但是當燒結溫度超過1800℃的時候就需要增加爐膛內的氮氣氣壓,從而抑制氮化硅在高溫環境下的分解。目前,在高導熱氮化硅陶瓷的研究中,反應重燒結氮化硅具有的獨特優勢在于其工藝能夠避免晶格氧的摻入,而晶格氧是影響氮化硅熱導率的主要因素之一。

美國3M(Ceradyne)公司反應重燒結氮化硅微觀結構
熱壓燒結(HPS)是一種通過軸向機械加壓的方式在燒結時的升溫階段對模具中的燒結體施加通常為30~50MPa的壓力的燒結方法。通過這種加壓方式達到對粉體燒結過程提供了大量的燒結所需驅動力,從而使燒結體升溫致密化速率與晶粒高溫生長速率比增加,也減少了陶瓷致密化所需的溫度與時間。這種辦法通過施加壓力增加燒結驅動力減少助劑的添加量,可以降低陶瓷燒結體中晶界間由于添加助劑而產生的玻璃相,使陶瓷燒結體具有更好的高溫耐性。
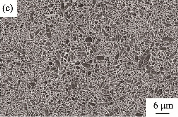
氣壓燒結(GPS)是一種在燒結工藝的升溫階段和保溫階段時通入并保持一定氣壓力的燒結方式。通常氣壓燒結是在封閉爐膛內通入1~10MPa壓力的氮氣來輔助燒結。升溫時充入高氣壓壓力的氮氣可以明顯地改善氮化硅陶瓷的致密化行為,并且能很好地控制氮化硅在高溫環境下的升溫分解問題。氣壓燒結制度不僅可以保證燒結體致密度,并且相比于熱壓燒結與熱等靜壓工藝還有對于陶瓷形狀要求沒有限制、燒結工藝相較與其他工藝更簡單等優點。因此通過氣壓燒結工藝可以在氮化硅陶瓷的致密化、晶粒的生長特性與生長動力學等領域進一步展開探索。

氣壓燒結氮化硅陶瓷的SEM圖片
燒結助劑
氮化硅是一種強共價鍵化合物,其晶界擴散系數相對較低,這意味著在晶界處原子或離子的遷移速率較慢。此外,其燒結驅動力有限,指的是在燒結過程中推動原子或離子重新排列的能力不足。因此,為了協助氮化硅陶瓷的燒結過程,必須添加適當的燒結助劑。

燒結助劑ZrH2在Si3N4陶瓷燒結中的作用機理示意圖
氧化物燒結助劑
在氮化硅陶瓷燒結過程中,常用的氧化物燒結助劑,包括堿土金屬氧化物(如MgO、CaO)和稀土金屬氧化物(如Y2O3、CeO2、La2O3、Yb2O3等)。這些燒結助劑在高溫下與氮化硅粉體表面的氮化硅和二氧化硅反應生成液相。堿土金屬離子(如Mg2+)可以形成玻璃相,降低液相的形成溫度,有助于提高燒結效率和密度。而稀土金屬離子具有高的氧親和力,能減少氮化硅晶粒中的晶格氧,從而改善氮化硅的結構和性能。
非氧化物燒結助劑
近年來,在進行氮化硅陶瓷制備方面的研究時,對于氧化物燒結助劑的深入探索已成為研究的關鍵焦點。然而,與傳統的氧化物燒結助劑相比,非氧化物燒結助劑的獨特之處在于其能夠有效減少氧的引入。這一特性對于氮化硅晶格的凈化至關重要,有助于降低晶界玻璃相的生成,從而提升氮化硅陶瓷的導熱性能。
參考來源:
[1]德國賽朗泰克公司官網、中國粉體網
[2]廖圣俊,基片用氮化硅陶瓷材料的制備及性能研究
[3]秦笑威等,氮化硅陶瓷的燒結技術及其應用進展
[4]周玉棟等,高導熱氮化硅陶瓷的制備研究進展
[5]王天倚等,氮化硅陶瓷的燒結工藝及其半導體應用進展
[6]李軍生,氮化硅陶瓷粉體產業現狀與發展趨勢
[7]李少鵬,新一代IGBT模塊用高可靠氮化硅陶瓷覆銅基板研究進展
[8]RILEY F L. Silicon nitride and related materials
(中國粉體網編輯整理/山林)
注:圖片非商業用途,存在侵權告知刪除!

















