中國粉體網訊 氣流粉碎機制備粉末過程中,主要是靠高壓氣流使粉末相互撞擊來達到粉末細化的目的。由于結構簡單,沒有切刀、磨盤等運動部件,其能夠安全平穩運行,且自動化程度較高,在軍工、食品、醫藥、化工、新能源等領域應用廣泛。2019年,氣流粉碎機有哪些新的突破及創新呢?
新技術,2019公布的氣流粉碎機相關發明專利
一種超微粉氣流粉碎機
申請人:無錫科技職業學院
摘要:本發明提供了一種超微粉氣流粉碎機,其可滿足多種物料的加工要求,實現精細粉碎,從而有效適應技術發展;其包括料斗、加料器、粉碎裝置、分級裝置,所述料斗經料道與所述粉碎裝置連接,所述分級裝置包括分級器,所述料道進口處設有噴射器,所述料道底部連通有支承箱,所述支承箱上開有氣流口,所述粉碎裝置包括與所述料道連通且位于所述支承箱上方的變截面循環管,與所述料道相連接處的所述變截面循環管上設有噴嘴,所述噴嘴噴吹方向的軸線與所述變截面循環管中心線相切,所述變截面循環管上部與所述分級器相連通,所述分級器連接有內管,所述內管上設有出料口。

一種新型靶式氣流粉碎機
申請人:四川豐能粉體設備有限公司
摘要:本發明涉及一種氣流粉碎機,具體涉及一種新型靶式氣流粉碎機,包括:圓臺狀靶板1、上法蘭2、超音速噴嘴3、外殼體4、下法蘭5、粉碎腔旋轉底板6、底部進風閥6‑1、底板外殼體6‑2、側向進風閥6‑3、內風道夾層6‑4、主進風通道6‑5、側導向風道6‑6,多噴嘴式設計提高粉碎效率的同時中心的圓臺狀靶板通過自轉調整超音速氣體的碰撞點,使圓臺狀靶板避免固定點遭受撞擊過早損壞的現象,提高了靶板的使用壽命,沸騰式進風底板,使用時可由下向上輸送上升氣流,幫助物料在粉碎腔內部沸騰起來。物料沸騰后,可極大程度提高碰撞機率,可顯著降低底料殘留量,極大的避免了過粉碎現象的發生,并可在一定程度上提高單位處理能力。

一種氣流粉碎機
申請人:鄭州嵩山硼業科技有限公司
摘要:本發明涉及碳化硼生產設備領域,尤其涉及一種氣流粉碎機,包括喂料機構和破碎機構,喂料機構包括進料斗和提升機,進料斗下端出口與提升機的入口連接,提升機的出口與破碎機構的入口連接,所述破碎機構包括進料倉和粉碎室,破碎機構的入口設置在進料倉的一側,進料倉的另一側靠上位置設置有除塵機構,粉碎室設置在進料倉的下端,所述粉碎室側壁上均勻分布有高壓進氣口,高壓進氣口的朝向與粉碎室側壁相切,所述粉碎室的側壁下端為出料口,出料口與分篩機連接,分篩機上設置有成品出口和粗料出口。該氣流粉碎機對粉末顆粒粉碎效果好,粉碎更加均勻,工作場所粉塵較少,成品收率較高,減少浪費,且粉碎機的粉碎室清理方便,實用性強。

應用于流化床對撞式氣流粉碎機的氣環裝置
申請人:昆山強威粉體設備有限公司
摘要:本發明揭示了應用于流化床對撞式氣流粉碎機的氣環裝置,包括用于設置在氣流沖擊磨的沖擊艙外周的氣環主體、及與氣環主體內氣路相連通的供氣管路,氣環主體上設有若干用于連接粉碎噴嘴的配接口,供氣管路與氣環主體之間存在對接部,供氣管路的管道中軸線與對接部所在切線呈α傾角,0°≤α傾角≤60°。本發明通過對氣環進行結構改善,提高了沖擊磨地作業效率,產能提升30%~80%,極大地提高了能源利用率,節省寶貴地能源。供氣管路與氣環主體之間設計科學巧妙,符合動力學原理,降低不必要地氣源動能損耗,滿足高效粉碎需求,達到精益求精地目的。能實現對各種氣流粉碎機的氣環改造或添加,兼容性較強,配接結構靈活。

一種雙分級輪氣流粉碎機的雙支點分級輪結構
申請人:鄭州天狼實業有限公司
摘要:本發明公開了一種雙分級輪氣流粉碎機的雙支點分級輪結構,包括分級輪主體,所述分級輪主體的底部固定設置有固定底座,所述固定底座的兩側均開設有固定卡槽,所述固定底座的內側開設有翅片固定槽,所述分級輪主體的外側固定設置有翅片葉,所述分級輪主體的頂部固定設置有分級輪頂蓋,所述分級輪頂蓋的頂部固定設置有密封圈,所述分級輪頂蓋和密封圈為一體式結構,通過設計安裝在承重支架內部的增壓支架,一方面增加了分級輪旋轉時內部的空氣流速,極大的節省了電能的使用,另一反面旋轉的增壓片也可以對分級輪內的較大的顆粒進行二次粉碎,極大的提高了粉碎機的工作效率,解決了分級輪使用時效率較低且耗能較大的問題。

一種適用于雙分級輪分氣流粉碎機的噴嘴保護裝置
申請人:鄭州天狼實業有限公司
摘要:本發明公開了一種適用于雙分級輪分氣流粉碎機的噴嘴保護裝置,包括管套,所述管套的外表面等距的通過螺紋固定連接四個有螺栓,所述螺栓的下方固定連接有弧形夾板,所述弧形夾板的底面通過膠水固定連接有防滑橡膠層,所述弧形夾板的頂端設置有圓形固定柱,所述圓形固定柱與螺栓固定連接,所述管套的前表面固定連接有密封門,所述密封門的后表面通過膠水固定連接有密封橡膠圈,且所述密封橡膠圈的內部包裹有環形磁鐵,且所述密封門的頂端通過螺母固定連接有固定塊;通過設計安裝了環形磁鐵,便于在噴嘴不進氣時,密封門能與管套更緊密的貼合,解決了現有的噴嘴保護裝置,不能便捷的將噴嘴密封的問題。

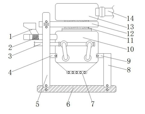
一種流化床式氣流粉碎機
申請人:蕪湖職業技術學院
摘要:本發明公開了一種流化床式氣流粉碎機,包括底座,所述底座的頂部左側焊接固定有左固定架,所述左固定架的中部右側焊接固定有左連接板,所述左固定架的頂部右側通過螺釘固定安裝有連接套板,所述底座的右側頂部焊接固定有右固定架,所述右固定架的頂部左側焊接固定有右連接板,所述左連接板和右連接板之間通過螺釘固定有粉碎筒,所述粉碎筒的左側中間連接有輸風管道,所述粉碎筒的左側上部連接有進料管道,所述進料管道的左側頂部連接有料斗。本發明通過設置與底座呈“L”形結構的支撐架,搭配錐形結構的粉碎筒底部,并在粉碎筒的底部通過螺栓密封連接有檢修門,使得裝置便于隨時對粉碎筒內進行檢修,檢修起來較為方便。

新裝備,2019發布的新品氣流粉碎機
江蘇密友粉體新裝備制造有限公司(以下簡稱“密友”)是專業開發生產粉體裝備制造成套化、高溫循環氮氣保護氣流粉碎生產線、容器攪拌密封一體化、鋰電池高溫包覆釜、納米潤滑母液油脂系列產品的高新技術企業。2019年底,密友新一代沖突式氣流粉碎機榮耀上市。

新一代沖突式氣流粉碎機
該機申請發明專利號:20191081114.3、201910811105.8,具有以下特點:
該機適用性強 ,根據易燃易爆、易氧化物料性質,可選擇與其相適應的惰性氣體作為粉碎介質。用氮氣體循環保護,使稀土、金屬等物料不氧化,不會燃燒。
粉碎效率高,不會過粉碎;分級精度高,粒度分布窄。如粉碎稀土類材料的粒徑在d50=2.5~4.5μm范圍任意選用,其中≦1.0μm不超過2%,確保成品優良性能。
采用陶瓷等耐磨材料,確保稀土、金屬等成品材料無污染、高純度。
控制系統氧含量在安全標準之內,惰性氣體可循環使用,消耗極小。
在沖突式氣流粉碎結束后,機內粉碎區無殘留死角,可全部粉碎成最終成品。
設備容易拆卸,清洗方便、干凈。
采用先進的自動化控制,實現了全自動安全控制。
簡而言之,新一代沖突式氣流粉碎機具有眾多優勢,廣泛適用于新材料、碳化硼、陶瓷、二氧化硅、有色金屬、稀土、釹鐵硼 、磨料等領域。
推薦相關閱讀:
粉體裝備領域“老大哥”有話要講——“追夢2019”粉體行業巡回調研
2019,看氣流粉碎機市場新變化
一張圖了解氣流粉碎機
不同材料的氣流粉碎分級工藝研究概覽
超細氣流粉碎設備的應用現狀及展望
信息來源國家知識產權局、密友官網等。更多氣流粉碎機的新動態,歡迎留言補充!
(中國粉體網編輯整理/三昧)
注:圖片非商業用途,存在侵權告知刪除!





















