【展商推薦】青島優明科粉體機械有限公司邀您出席 先進負極材料技術與產業高峰論壇
中國粉體網訊 隨著消費電子類產品的更新換代、新能源汽車產業的蓬勃發展、智能電網的迅速推廣以及其它技術領域對高性能電池的旺盛需求,鋰離子電池產業必將在未來10年持續高速發展。這為我國鋰離子電池負極材料產業的發展提供了很大的機遇,但同時也提出了更高的要求。
先進負極材料技術與產業高峰論壇將于2023年2月9-10日在青島舉辦。青島優明科粉體機械有限公司邀請您共同出席論壇。

青島優明科粉體機械有限公司是一家專門研究和開發精細粉體加工技術的企業,專業制造各種結構的氣流粉碎機、機械式粉碎機、氣流分級機、超細球磨分級系統、粉體顆粒包覆改性設備以及再生資源加工等粉體深加工設備;提供相關的咨詢、試驗、項目設計、設備生產和培訓等系列服務。
公司的技術團隊在粉體加工行業有超過20年的專業經驗,在粉體工藝設計,設備設計,制造,成套項目交工方面積累了豐富的經驗。公司現在有3位來自歐洲的外國顧問為我們提供專業的技術支持,在專家的大力支持和公司員工的不懈努力下,我們有信心成長為可以與歐洲頂級粉體設備廠家比肩的優秀供應商。
公司的粉體深加工設備廣泛應用于各種精細化工品,如填料、顏料、阻燃材料、電子材料、電池材料等;各類非金屬礦物如碳酸鈣、石英、高嶺土、滑石、云母、重晶石等;各類醫藥,如抗生素、中草藥等;各種食品,如大棗,大豆纖維提取,瓜爾膠,明膠,黃原膠等食品添加劑等。我們技術團隊設計的粉體加工生產線在世界各地廣泛應用,如韓國、馬來西亞、澳大利亞、菲律賓、印尼、印度、巴基斯坦、埃及、土耳其、中東、希臘、保加利亞、俄羅斯等國家和地區。
公司秉承著與客戶長期合作的理念,為客戶實現將先進技術和較低成本完美結合的目標。我公司設有專業的試驗室和檢測中心,方便隨時為客戶提供科研信息和技術咨詢服務。我們希望能充分利用我們的專業技術和經驗為您提供先進高效的解決方案和設備系統,為您優化生產流程,提高生產效率,提高市場競爭力!
產品展示
1. MQW流化床氣流粉碎機

流化床氣流磨作為超細粉碎的一種重要設備,廣泛應用于非金屬礦及化工材料的超細粉碎, 具有粒度分布窄,顆粒表面光滑,顆粒形狀規則,純度高,活性大,分散性好等特點。
應用: 非金屬礦、電池材料、精細化工、醫藥食品、顏料油漆,粉末冶金等超細粉體行業。
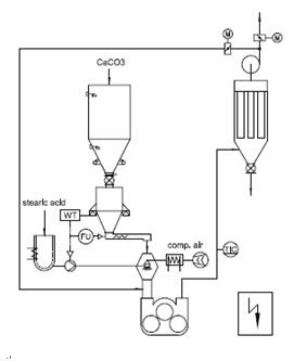
2. CRM三輥改性機

在細川阿爾派(Alpine)和歐米亞(Omya)集團成功經驗的基礎上,我們開發出了三種不同的連續式表面包覆系統:針盤磨包覆系統、渦流磨包覆系統和轉子磨包覆系統。
該連續式粉體表面包覆改性系統是在消化吸收德國技術的基礎上設計制造的中國設備,可用于多種粉體的表面改性,如碳酸鈣粉末(重質、沉淀)、高嶺土、滑石、云母、石墨、硫酸鋇、白炭黑、氫氧化鎂、氧化鋅、氧化鋁等,該系統適宜于多種固體、液體改性劑,如鋁酸鹽偶聯劑、鈦酸鹽偶聯劑、硅烷偶聯劑和硬脂酸。
產品特點
碳酸鈣粉末表面處理-通稱為“碳酸鈣顆粒包覆”系統,適用于PVC或其他塑料生產用填料的加工。 石灰石粉末或重質碳酸鈣(GCC)細度 d97: 35微米至 5微米,沉淀的碳酸鈣(PCC)細度d50 < 0.1微米.
該加工過程的重要目標是在加工中改性劑在碳酸鈣粉末中的均衡完全分布。改性劑的添加量(重量比例)在重質碳酸鈣改性產品中占0.4- 1.4%,在沉淀碳酸鈣改性產品中占5%。為了使這極少量的改性劑能均衡供給大量的碳酸鈣粉末,需要將改性劑溶解再與碳酸鈣粉末混合。主要用天然或合成的蠟(如硬脂酸)作為改性劑。
原理及特點:通過3個轉子的相對運動來改變氣旋渦流等作用實現對粉體表面包覆。不需加熱裝置,投資省,運行成本低。


3.MJW-L超細空氣分級磨

粉碎分級一體化,通過調整分級輪獲得理想的產品粒度,適用于D50:2~45μm之間的產品粉碎。
適用行業:廣泛應用于非金屬礦物(莫氏硬度5以下)、化工、無機鹽、醫藥、食品、顏料、染料、農藥、電池材料、礦物、耐火材料等行業。
產品特點
經典結構,引進德國技術,應用廣泛,源自傳統的空氣分級磨(ACM)
采用PLC程序編程控制,實現分級權限管理,可存儲,振動傳感器等采用有效預警,防患于未然。
采用助力翻轉結構,一個人檢修更換成為可能,為客戶著想,不借助工具可人工助力翻轉(液壓翻轉),更換配件檢修便捷。
工作原理
物料由加料系統均勻的送入粉碎室,受到高速旋轉的粉碎盤的強烈沖擊,同時受到離心力的作用,與粉碎齒圈發生碰撞,受到剪切、摩擦、碰撞等多種綜合力的作用,使物料粉碎,被粉碎的物料隨氣流運動到分級區,通過變頻調節的分級輪,對粗細物料進行分離,符合細度要求的產品隨氣流進入旋風收集器和除塵器收集,粗細料返回分級區二級粉碎。


識別二維碼了解更多會議信息
會務組
聯系人:解經理
手 機:15010096957(同微信)
郵 箱:619312436@qq.com
- 2015-04-08
2015新材料發展趨勢研討會-暨第七屆海峽兩岸新材料發展論壇
2015-04-11- 2015-06-09
2015年復合材料(SMC/BMC GMT/LFTD)模壓成型技術創新和市場開發應用研討會
2015-05-19- 2015-05-11


